Rossz nevelés

Szakközépiskolába kerültem annak ellenére, hogy saját elképzelésem alapján intézve sorsomat, inkább egy gimnázium padjait koptattam volna. Egy műszaki iskolába, ahol a közismereti tárgyak tanítása mellett speciális képzést adnak.
Így történt, hogy a korábban rajzóraként ismert foglalkozások az oktatási rendszer középső szintjére érve műszaki rajz tanításába csaptak át. Gépek, tengelyek, fogaskerekek és más alkatrészek ábrázolása bizonyos szabályoknak megfelelően. Egyszerű, könnyen elsajátítható ismeretek, csakhogy akkoriban ezek a rajzok nem nyomtatóból vagy plotterből jöttek elő, hanem kétkezi munka eredményeként, ceruzával papírra, csőtollal, tussal pauszra készültek.

tengelykapcsoló – forrás: pngegg.com

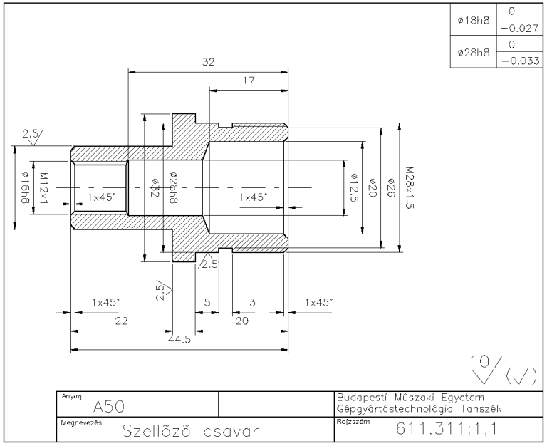
Az első beadandó rajzzal azt mérték volna fel, hogy elsajátítottuk-e a vonalak fajtáira, valamint a méretezésre vonatkozó szabályokat, és képesek vagyunk-e ezeket alkalmazni. Egyszerű feladatot kaptunk, ilyesmit:

alaktrészrajz – forrás: wordpress.com

Ne tévesszen meg, hogy egy BME-ről származó rajzzal illusztrálom a középiskolai történetet, mert ez valóban egyszerű rajz. Nekem szokatlan a méretvonalaktól jobbra írt méret, de időközben változhattak a szabályok. Lett volna példa házon belül is, mert a borospince előtt készülő lépcsőtartó tervei sem bonyolultak, de a BME-s rajz hasonló a korabeli feladathoz.

Zöldfülű elsős vagyok a tanév legelején. A tanár a nevemet sem tudja, de én meg akarom mutatni, el akarom kápráztatni. Ügyes gyerek vagyok, sütnivalóm is van, aminek fontosságáról nemrég, a kulináris ügyek összefoglalójában fogalmaztam meg gondolatokat. Műszaki rajz készítése a feladat. Korábban ilyet soha nem csináltam, semmi gyakorlatom benne. A sikerhez a napokban indult oktatásom rövid ideje alatt felszedett elméleti tudásomat kell kamatoztatnom, amihez első lépésben megteremtem a megfelelő körülményeket.
A saját asztalom nem alkalmas. A konyhaasztal, és lakásunk legnagyobb szobájában elhelyezett dohányzóasztal közül az utóbbit választom. Felszabadítom teljes felületét, lerántom róla a csipketerítőt, és tisztára törölgetem. Szappanos melegvízben lemosom a vonalzókat, és szárazra törlöm. Következnek a ceruzák. B, 2B, HB, H, 2H, amikkel próbavonalakat húzogatok – mennyire kenődik, milyen gyorsan tompul? Sok ceruzát halmozok fel. Kihegyezem mindet, aztán a papírt smirgliként használva finomítok a hegy geometriáján, aminek tűhegyes végét művi úton legömbölyítem, nehogy rajzolás közben törjön le.
Minden eszköz a helyén, már csak egy rajzlap hiányzik. Kezet mosok előtte, úgy veszem ki a csomagból. Ennél tisztább körülményeket legfeljebb egy kórházi műtőben, bemosakodva hozhatok össze. Megtervezem a rajz helyét a lapon, hogy középre kerüljön, aztán meghúzom az első vonalat. Ez lesz a támpont, ehhez igazodik minden. Jobbkezes vagyok, balról jobbra húzom a vonalat, de csak a feléig. Hiba lenne a teljes vonal megrajzolására törekedni egy húzással, mert a ceruza kitakarja a jobb oldali végpontot. A plajbász hegyét pontosan a kezdethez illesztve, jobbról indítom a hiányzó szakaszt a meglévő felé. Rajzolás közben lassan forgatom a ceruzát, nehogy ellaposodjon a hegye, mert akkor változik a vonalvastagság, ami a már elkészült szakasszal találkozva kiütközne. Egyazon szögben, ugyanazzal az erővel papírnak szorítva: a vonalak csatlakozása tökéletes, átfedéssel futnak egymásba. Megvan az első. A világ minden kincséért sem engedem el a vonalzót, amíg nincs kész a vonal, de most át kell helyezni. Nem csúsztatom, hanem emelem. Lefújom a papírról a grafitmorzsalékot, a vonalzót pedig letörlöm – tapad az éléhez némi grafit, ami végzetes hatással lenne a rajzlap tisztaságára.
Megvagyok a vastag vonalas kontúrral. Jöhet a sraffozás, a tengely pontozott vonala, továbbá a méret- és segédvonalak. Vékony vonallal rajzolandó részek, és ez sokkal vidámabb, kevésébé akadozó munka, mert a most használatba vett H-s ceruzák alig kopnak közben – ritkábban kell hegyezni. Az állandó vonalvastagság biztosítására természetesen most is forgatom a ceruzát a vonalak húzogatása közben.
Remek sablonjaim vannak az ABC betűivel és számjegyekkel. Nem rontom el a hatást bizonytalan kézírással, ezért sablonnal írom a méreteket. A végére hagyom a méretvonalak nyilainak kivitelezését. Sok van belőle. Azonos formák, azonos mozdulatok, pontos végrehajtás. Ezt is egy piszkozaton gyakorlom, mielőtt élesben belevágnék. A tenyerem éle és a rajzlap közé egy papírlapot teszek, mert az sem hiányzik, hogy zsíros, izzadt bőrrel összemaszatoljam a már majdnem elkészült művet. Túl sok munka fekszik benne, nem lennék képes mégegyszer ilyen gondosan, ekkora figyelemmel végigcsinálni.
Sejtésem szerint a középiskola első napjaiban senki nem készített műszakirajzot az itt elmesélt alapossággal, mert ezt nem tanítják az iskolában. Ha van benned spiritusz, akkor magadtól ráérzel a lényegre. Ha nincs, vagy a kézügyességed hibádzik, akkor egyenetlen, pontatlan vonalakat húzol, és olyan suta rajzot készítesz, amilyen egy 14 éves gyerektől telik.

Előkészületekkel, kísérletekkel, piszkozatokkal együtt órákat szántam az alkotásra, és jól sikerült – nem atomfizika. Marketingszöveget fogalmazva az kerülne ide, hogy az eredmény az aprólékos előkészítés, az összpontosítás és a mellső végtagokat mozgató izmok összehangolt működésének diadala. Nem mutogattam senkinek, nem akartam koszos kézzel fogdosni, ezért az órán is a mappából csúsztattam a tanári asztalra. Közel 50 éve történt, ezért arra már nem emlékszem, hogy a beadás napján vagy a következő órán, de a tanár a táblához szólított, és asztalánál ülve a rajzomat tartotta kezében. Vizsgálta-vizsgálgatta, majd szemüvege fölött végigmért, aztán tovább bámulta, hol kitágult pupillákkal közelről, hol hunyorogva távolról. Vártam a kérdést, de ehelyett egy igen súlyos állítást fogalmazott meg.
– Gyerek, ezt nem te rajzoltad.
Dicséretre számítottam, derék teljesítményem méltatására, mert egy ilyen egyszerű rajzot én is képes vagyok értékelni: tökéletes. Kifogástalan kivitelben, makulátlanul tiszta, gyűrődésektől, szamárfülektől mentes rajzlapon. Nagyítóval sem találni benne hibát.
– Mégis ki rajzolta volna, ha nem én? – kérdezem erősen megütközve a vádon.
– Kizárt, hogy ezt te rajzoltad.
– Márpedig ezt én rajzoltam.
– Nem hiszem el, hogy te rajzoltad.
Meg voltam szeppenve, hiszen csalással gyanúsítottak. Nem emlékszem, hogy milyen osztályzatot kaptam végül, de a parttalan vita nyilván úgy ért véget, hogy a taknyos kölöknek nem lehet igaza. Ilyen az, amikor kellő tekintély híján az ember a körülmények játékszerévé válik, és büntetlenül packázhat vele bármely feljebbvalója, akár egy ostoba tanár is.

Nem vagyok egyedül pocsék élményekkel. Hasonló kalandból vagy ötletből született a Gettómilliomos (Slumdog Millionaire) című történet, aminek megfilmesített változata 8 pontos IMDB értékeléssel és az elnyert Oscar-díjak özönével alátámasztva a jól sikerült alkotások közé sorolható. Egyszerű történet. Egy pénzdíjas TV-vetélkedőben folyamatosan jó válaszokat adó szereplőnek gyűlik meg a baja a szervezőkkel, akik csalónak vélik, és alaposan ellátják a baját. Észszerű viselkedés, hiszen megtarthatják a jelentős summát, ha sikerül bizonyítani a csalást. Ehhez képest én egész jól jártam, mert a rajzórán nem kínoztak meg, nem is vertek laposra, de még csak fel sem pofoztak.
Régi korok egyszerű emberei inkvizíció elé vetették azokat a polgárokat, akiknek különleges teljesítményével nem tudtak mit kezdeni. Ördöginek, boszorkányosnak vélték a kiemelkedő képességeket, és az ilyeneket a biztonság kedvéért máglyán égették el. Ezt is megúsztam.

Miért volt nekem annyira fontos ezt a rajzot ilyen nagy gonddal elkészíteni? Homályos emlékeim dacára tudom a választ erre a kérdésre. Mindenkitől azt hallottam, hogy fontos az első szereplés, a tanárban alakított első benyomás, mert úgymond beskatulyázzák a tanulókat. Aztán ott volt még az a vágyam is, ami akkor nem fogalmazódott meg bennem, de utólag azt hiszem, hogy rangot akartam szerezni magamnak jó teljesítményemmel.

Nem voltam képes orvosolni a helyzetet, nem tudtam jó megoldást arra, hogy igaztalanul csalónak bélyegeztek, és megszégyenítettek az osztály előtt. Nem bizalomgerjesztő a fizimiskám, nincs becsületem a tanárnál, nem hisz nekem. Mi erre a megoldás? Idomultam a helyzethez, és a továbbiakban összecsaptam rajzaimat. Gyűrtem rajtuk egy keveset, némelyiket meghúzogattam egy kicsit a padlón, amivel meggyőző patinát kapott.
– Látod gyerek? Nem tudsz engem átverni. Ezt biztosan te csináltad.
Ha nincs ez a baleset, akkor jó eséllyel továbbra is nagy lelkesedéssel készítem rajzaimat, rengeteg időt rászánva a tökéletes kivitelre. Talán jót tett velem ez a fajankó, hiszen ezt a tengernyi időt hasznosabb tevékenységekre fordíthattam, és nem is fizettem érte nagy árat. Mindössze azt kellett elszenvednem, hogy a bizonyítványaimban a műszakirajz rovatban hol a gyalázatos "2 (elégséges)", hol az egy fokkal jobb "3 (közepes)" minősítések szerepeltek.

Ebben a remek szakközépiskolában, ugyanebben a gyászosan induló első félévben értek további csapások, amiknek következtében egy teljesen új, korábban soha nem tapasztalt élménnyel gazdagodtam. A félévi bizonyítványomban ugyanis megjelent a hátborzongató "1 (elégtelen)" érdemjegy, amivel a gazdasági földrajzórákon nyújtott teljesítményemet értékelték. Hogyan érhet valakit ilyen szégyen?
Ütemesen haladunk a tanterv szerint, mígnem eljutunk az éghajlati övezetekhez. Ennek a témának mellékleteként szerepel a tankönyvben egy teljes oldalt foglaló táblázat, amiben feltüntetnek különböző értékeket, mint például uralkodó széljárás, évi középhőmérséklet, csapadék eloszlása stb. Temérdek adat, amit a diákok nagy érdeklődéssel böngésznek végig. Tanárunk, aki igazából tanárnő, kiadja feladatul, hogy a következő órára betéve kell tudni, és számonkéréssel fenyegetőzik.

éghajlati övek jellemzése – forrás: online2024outlet.com

Riadtszemű elsősként meg akarunk felelni az elvárásnak, és lelkesen tanulunk. Így teszek én is, de hamar visszapattanok a feladatról. Nem megy ez nekem, kisül tőle az agyam. Nem tanulom meg, s ez gyorsan kiderül a feleltetésnél, meg is kapom érte az egyesemet. Túl vagyok rajta, ez sem nyomaszt többé – gondolom megkönnyebbülten – , de a következő órán nem a névsor hátralévő szakaszával folytatódik a feleltetés, hanem velem. Minek kerteljek? Becsülettel nyilatkozom tudatlanságomról. Újabb egyes.
Nem jártam jól azzal, hogy magamra vontam a tanárnő fokozott érdeklődését, mert ettől kezdve a földrajzórák állandó műsorszámának unalmas szereplője vagyok. Mondja a nevemet. Ránézek. Fejét hátrabiccentve kérdőn felvonja szemöldökét, amire felemelt kézzel, tenyeremet jobbra-balra fordítgatva jelzem, hogy nem, még most sem bifláztam be a táblázatot. Maga elé húzza a naplót, hozzám lapoz, és a hatalom birtokosaként beírja a következő elégtelent. Egyszerű, letisztult koreográfia, amit az első félév végéig tartunk műsoron, unottan ismételve.
Nem volt mindig ilyen lagymatag az előadás. Eleinte ütős érveléssel színesítettem a műsort. Azzal védekeztem, hogy bezzeg matekórákon szabadon használhatjuk a függvénytáblázatot, nem elvárás kívülről fújni a szögfüggvények értékeit. Hivatkoztam Szent-Györgyi Albert híres nyilatkozatára, hogy az agy gondolkodásra, és nem száraz adatok tárolására való. Hiába.

Kisgyerekként hiányzott belőlem a jelenség okának kiderítéséhez szükséges bölcsesség, de felnőtt fejjel tudok rá magyarázatot. A tanulóifjúságot főleg hím egyedek tették ki, ami egy műszaki iskolában természetes. Éledező szexuális fantáziájuk egy szőke, kékszemű, hosszú combú irodalom-tanárnőre irányult – a kedvezőtlen testi adottságú földrajztanárnőről nem ábrándoztak. A sejtelmes női lélek megérzi az ilyesfajta ellenszenvet, és jobb mellettük lesütött szemmel, semleges pofát vágva eloldalogni. Talán ebben hibázhattam. Fiatal hímként valószínűleg nem uralkodtam arckifejezésemen, és kiülhetett a képemre a sokat mondó undor, ami a szexuális vággyal ellenkező értelmű, lohasztó érzésből táplálkozott.
Az univerzum mindenre kínál megoldást, és ebben a világban a baszatlan picsák is megtalálják kéjes gyönyörük forrását. Tudtad, hogy az egyes osztályzatot karónak is nevezik? Ezt a fallikus szimbólumot naplóba bevésni gúnyos megjegyzésekkel kísérve – van, akinek ennyi jut, ezzel kell beérnie igazi orgazmus helyett.
Nem tanított bennünket a hosszú combú szőke, ezért nem számolhatok be olyan esetekről, amikor vibrált volna a feszültség az osztályteremben. Mégis fölöttébb tájékozottak voltunk nagyjából minden viselt dolgáról, mert a földrajzórák egy részében pletykákat hallgattunk róla. Ittuk a féltékeny, ámbár rusnya némber vitriolos szavait – addig sem feleltetéssel telt az idő.


Nőnemű tanár szórakoztatott bennünket történelemórákon is, a skatulyázós fajtából. Végig kettesem volt a tárgyból, függetlenül a produkciómtól, és ebből úgy csináltam jó üzletet, hogy szinte semmit nem tanultam. Osztálytársunk volt egy igazi szépfiú, egy különösen jóvágású gyerek, akit a tanárnő az első padba ültetett az asztala elé, és onnan gyönyörködött a látványban. Ez a fiú természetesen az ötös skatulyába került, ami eleinte összhangban volt a felkészültségével. Aztán idősebbek, önérzetesebbek lettünk, szinte érett férfiak ültek az iskolapadokban.
– Józsikám, gyere ki felelni! – szól a tanárnő nyájasan, búgó hangon, csillogó szemekkel.
– Tanárnő, nem készültem – így a szépfiú.
– Nem baj Józsikám, gyere csak.
– Mondom, nem készültem, nem tudok semmit.
– Sebaj, majd kérdezlek.
– Tanárnő, nem készültem. Hagyjon engem békén, és írja be az egyest!
Na, erre azok is felkapják fejüket, akik előrelátóan matek házit írnak a következő órára. Kérdések garmadája fogalmazódik meg az osztályban. Nyílt lázadás? Vége a szerelemnek? Ellentmondani egy tanárnak? Ilyen szemtelenül? És ezt pont az eminens diák adja elő? A szokatlan párbeszéd alkalmával jellemfejlődésének jelentős állomásához érkezett a kínos viszonyból kitörni igyekvő diák.

Kívülálló olvasóként a történetben idáig jutva motoszkálna bennem a kérdés: jó iskolába került ez a gyerek? Kiskorúként nyilván nem az ő felelőssége a megfelelő intézmény kiválasztása, de hogyan is állíthatnák helyes pályára olyan szülők, akik csupán külső jegyek alapján ismerik saját gyereküket?
Bennfentesként tudom a választ. Érettségi után nem tettem be a lábam az intézménybe az első osztálytalálkozónkig. Négy fiatal, fogékony évemet vette el, mégsem tekintem alma materemnek ezt az iskolát, és nem csak a felidézett kínos helyzetek okán. Ezeket a kellemetlen élményeket feledtette volna izgalmas tudományok színvonalas oktatása, és a jó szakemberré válás öröme. Miféle szakember lett belőlem? Soha nem dolgoztam az itt megszerzett képesítésemnek megfelelő munkakörben. Nem akartam kiteljesedni az elektronikai műszerészet szakterületén, és eleve nem képeztek kiváló szakemberré.

Akkor is megszólalt bennem a vészcsengő, amikor technológia órán a tanár egyszer csak nekünk szegezte a kérdést.
– Tudjátok-e, honnan ered a persze szavunk, és mit jelent?
Lelkesen jelentkezek.
– Na, halljuk!
– A latin per se intelligitur rövidítéseként honosodott meg, magától értetődik jelentéssel használjuk.
– Hülye vagy fiam, ülj le!
Megdöbbenek. Megszégyenülten visszazöttyenek a padba, nekem itt nem terem babér.
– A persze egy finn szó – folytatja a tanár – , magyarul segget jelent.
Röhög az osztály. Jól szórakoznak, a tanár népszerűsége ezzel a húzással is emelkedett. Az intézmény vezetőjének nyugdíjba vonulása után ezt az embert ültették az igazgatói székbe, amitől számomra az iskola még ellenszenvesebbé vált annak ellenére, hogy ekkorra már kikerültünk az iskolapadból.

Nem telhet el ennyi idő feleslegesen az ember életéből, és alaposan elgondolkodva fel tudok mutatni olyan tudást, amit ebben a négy évben szedtem fel: jól bánok a reszelővel, és tudok fényesen, hiperbolikusan forrasztani. Több a semminél.
Komolyan vehető képzés az, ahol elektroncsöves erősítők munkapontjának beállításával foglalkozunk, miközben a világ már átlépett a tranzisztorokon, a diszkrét alkatrészekből épülő elektronikai megoldásokon, és elterjedtek az integrált áramkörök?

alkatrészek fejlődése – a kép eredetijének forrása: fossilconsulting.com

Józan számítás szerint a történelmi áttekintés után el kellett volna jutnunk a kor fejlettségének megfelelő IC-kig, de nincsenek ilyen emlékeim. Viszonylagos tájékozottságomat annak köszönhettem, hogy jól ismertem a könyvesboltok akkori választékát, és ebből rendszeresen hazacipeltem olyan darabokat, amikből tudásszomjamat kielégíthettem. Ezek a kiadványok hiányozhattak tanáraim könyvespolcairól, hacsak nem szakmai féltékenységből tartották titokban ezeket a tudományokat a diákság előtt, merthogy az iskolában ilyesmiről nem beszéltek. Ezeknek a régi könyveknek tartalma ma már érdektelen, mégsem hányom tűzre őket, mert érthetetlen okból ragaszkodom hozzájuk.

még őrzöm ezeket a haszontalan könyveket a múlt század 70-es éveiből

Középiskolás korszakom kezdete szinte egybeesett Steve Jobs garázscégének megalakulásával, amiből napjaink egyik legismertebb márkája, és legértékesebb cégbirodalma, az Apple nőtte ki magát. Nem hiszem, hogy ez a fickó is azzal fecsérelte értékes idejét, mint mi. Egy teljes tanéven keresztül reszeltünk egy levélnehezéket a heti műhelynapokon. Semmilyen inspiráció nem származott ebből, ami a számítógépes ipart forradalmasította volna. Ekkor még nem tudhattam, hogy felnőttként ezt a tudományt fogom művelni, mert el kellett telnie néhány évnek ahhoz, hogy a személyi számítógépek elterjedése hozzánk is begyűrűzzön.
1975 szeptemberében esett meg velem a csúfság, hogy a műszakirajz tanárom nem értékelte igyekezetemet, és ugyanezekben a napokban dobta piacra a MOS Technology a 6502-es mikroprocesszorát. Korosztályom tájékozottabb tagjai emlékezhetnek arra, hogy ebből fejlesztették a Commodore 64 magját adó 6510-est. Hiába játékszámítógép, mégis a magyarországi számítógépes kultúra alapkövének számított az akkori COCOM-listás időszakban, és nagyvállalatok ügyviteli rendszereit működtették rajta, amíg az IBM PC ki nem szorította.
Első sikereimet C64-re írt, maszek ablak-technikát használó programjaimmal arattam, majd idővel az IBM által diktált szabványok szerint készülő, igazi számítógépekre váltottam. Ez a szakterület még nem létezett akkor, amikor szüleim rossz irányba indítottak el, és tanáraim sem tudhatták, hogy mit hoz a jövő. Nem is vártam tőlük látnoki képességeket. Megelégedtem volna annyival, ha követik a világ fejlődését, és a legfrissebb technológiákat ismertetik. Az alkatrészek fejlődését bemutató ábra idővonala szerint középiskolai tanulmányaim az elektronikai innováció újkorára estek, ehhez képest tanáraim az őskorinak számító elektroncsöves tudományokkal traktáltak bennünket.

Meggyőző marketinggel mindent el lehet adni. Nincs jelentősége annak, hogy gyerekkoromban sem becsültem sokra az elektroncsöves erősítőket. Most is az a véleményem, hogy sérülékeny, érzékeny a rázkódásra, összetevői könnyen elmozdulhatnak egymáshoz képest. Nem véletlen, hogy az ősi csöves készülékeket néha meg lehetett javítani ideiglenesen egy jól irányzott ütéssel. Elég volt határozottan oldalba vágni, és egy ideig megint jól működött.
Manapság egy valag pénzt lehet keresni azzal, hogy audiofil faszkalapoknak csöves erősítőket építenek, azok meg boldogan fizetnek kisebb vagyonokat a "teltebb hangzásért". Abban nincs vita, hogy különösen sötétben vagy félhomályban piszok jól mutatnak a halványvörösen izzó katódok.

csöves erősítő – fotó: Sebastian Nizan

A képen látható készülék használtan 3-4000 USD. Miért ne lehetne emulálni a csöves erősítő hangzását egy DSP kütyüvel? Bennem csak most merült fel a kérdés, de ez annyira nyilvánvaló megoldása a feladatnak, hogy nálam szorgalmasabb és tehetségesebb alakok már nem egy működő megvalósítását készítették el az ötletnek. Ilyen például a Swanky Amp, amit 55 USD áron mérnek, de kínálják ingyenes változatát is. Mennyit spórolhatsz a software módszerrel? 3-4000 USD-t. Na tessék! Mire nincs megoldás algoritmusokkal? Jó szakmát választottam.

Aztán megjelent a kontraszt. Egy osztálykirándulás alkalmával eljutottunk Pannonhalmára, és az ottani híres gimnázium udvarán egy csuhás tanárember azzal dicsekedett, hogy nekik vannak ám számítógépeik, mert a nyugati bencések támogatják őket, és diákjaik lehetőséget kapnak ismerkedni az információs technológiával. Nekem ez az élmény csupán azt a lehetőséget biztosította, hogy ott sárguljak meg az irigységtől. Előadást tartott nekünk egy ottani diák, akit valamelyik tanóráról engedtek el azért, hogy bennünket kalauzoljon. Ha lett volna bárminemű önbizalmam a tudásomat és a szóbeli kifejezőkészségemet illetően, az ott tört volna derékba. Realistaként jó helyre tettem magam a rangsorban, ezért effajta csalódás nem ért, viszont egy újabb árnyalatnyit sárgultam. Ott és akkor határoztam el, hogy ha nekem egyszer fiú utódom születik, akkor neki ilyen iskolában lesz a helye.
Egy átlagember attól válik tanárrá, hogy egy iskolában van a munkahelye, és diákokkal foglalkozik. Aztán ha nem úgy jön össze, ahogy elképzelte, akkor állást változtat, és elmegy pizzafutárnak. Nem ez a szemlélet érvényesül a tanító szerzetesrendek, mint például a piaristák, ciszterciek vagy bencések állományában. Ők a saját műveltségük kiteljesítése mellett tudásuk átadását tartják a legfontosabbnak, erre teszik fel életüket. Mint Kilián atya, akit volt szerencsém ifjú koromban személyesen megismerni.

Kiskoromban saját bőrömön tapasztaltam, hogyan süllyed a gyerek az alkalmatlan tanárok kavarta oktatási posványba, ha nem áll mögötte senki, aki tudásával, tapasztalatával, tekintélyével megóvná rossz hatásoktól, befolyásoktól. Soha nem fogjuk megtudni, hogyan alakul sorsom, ha jobb képzést kapok iskolásként. Viszont azon nem sokat kell töprengeni, mert tény, hogy nem lett belőlem sem akadémikus, sem egyetemi tanár, és doktorátusaim száma is nullával egyenlő.
Egyetlen komolyan vehető érdemem annyi, hogy saját gyerekeimet nem hagytam erre a sorsra jutni. Eleinte a hazai oktatási rendszer alapfokú intézményeinek alattomos hatásaival küzdöttünk. Aztán rangos gimnáziumok szintjéről dobbantottak a szabad világ kiváló egyetemeire. A legmagasabb szinten már nem volt beleszólásom felnőtt korúvá vált gyerekeim választásába, ők pedig alaposan megfontolva külföldi egyetemekre jelentkeztek, és elmaradott hazájuktól távol szedték össze versenyképes tudásukat. Megtehették, megtették, jól tették.